Email ons
Producten
FA Flens Mount
  • FA Flens MountFA Flens Mount

FA Flens Mount

Model:FA63
Olk pneumatisch verwelkom je van harte van de groothandel in flens van onze fabriek. Onze producten zijn CE -gecertificeerd en hebben momenteel een grote hoeveelheid fabrieksinventaris. Wij zullen u goede service- en fabrieksprijzen voorzien.

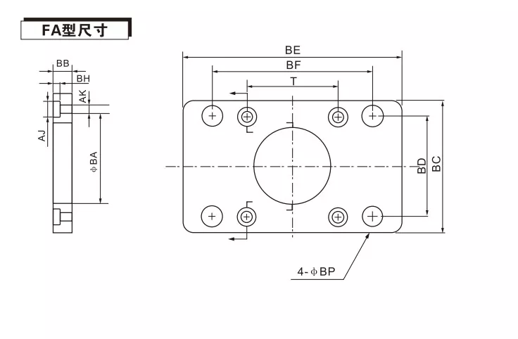
De FA Flange Mount is een voorste montagebeugel die wordt gebruikt voor SC -serie standaard pneumatische cilinders. Fix het cilinderlichaam zodat de beweging van de belasting en de bewegingsrichting van de zuiger op dezelfde as of parallel is.

FA Flens Mount is een zwarte rechthoekige flat met montagegaten, waardoor de SC-serie pneumatische cilinder veilig kan worden bevestigd aan de machine en het oppervlak vanaf het niet-ROD-uiteinde. Het voldoet aan ISO 15552 of ISO 6431 cilindermontagemontage.


Toepassing: vanwege de geschiktheid van FA-front flenscilinderbeugel voor het installeren van apparatuur met beugels of robotarmen aan de voorkant, en meestal op hetzelfde vlak als de installatiegaten van automatische machines. Er zijn dus verschillende typische toepassingsscenario's als volgt

Verpakkingsmachines: lineaire bewegingen met vaste positie met precieze slagregeling.

Automatiseringsapparatuur: stabiele montage voor cilinders in verticale of horizontale positionering.

Materiaalbehandeling: gebruikt in armaturen waarbij de cilinder veilig moet worden vastgebout.

Bewerkingsstations: voor het drukken, pushen of klem van acties die nul laterale beweging vereisen.

Testrigs en besturingseenheden: waar starre cilinderpositionering essentieel is voor herhaalbaarheid.


SC

63

X

50

-

S

-

FA

SC -serie standaard pneumacit cilinder

Boormaat

 

hartinfarct

 

S : Magnetisch

 

FA: cilinderkop met FA Flens Mount

 

 

 

 

 

Blanco: non

 



FA FLANGE MOUNT MAAT:

Code / boordiameter

32

40

50

63

80

100

125

160

200

Ba

28.3

32.3

38.3

38.3

47.3

47.3

60.3

65.3

75.3

BB

10

10

10

12

16

16

20

20

25

BC

47

52

65

76

95

115

140

180

220

BD

33

36

47

56

70

84

90

115

135

ZIJN

72

84

104

116

143

162

224

280

320

BF

58

70

86

98

119

138

180

230

270

BH

6.5

6.5

6.5

8.5

10.5

10.5

8

8

12

Aj

10.5

10.5

10.5

13.5

16.6

16.6

19

25

25

En

6.5

6.5

6.5

8.5

10.5

10.5

13

17

17

BP

7

7

9

9

11

11

16

18

22

T

33

37

47

56

70

84

110

140

175


FAQ's:

Kan de flensflenscilinderbeugel van de front worden gekoppeld aan andere cilinders voor gebruik?

De installatiegaten van verschillende cilinders hebben verschillende posities en bijpassende FA -flensplaten moeten worden gebruikt. Deze FA -serie flensplaat kan alleen worden gebruikt met SC -serie standaard cilinders.


Whtats de verschillen

FA -frontflens: Sluit de voorkant van de cilinder aan op de apparatuur, met de zuigerstang naar buiten naar buiten tijdens de installatie. Vaak gebruikt in front-end en load push-scenario's van apparatuur.


FB Achterflens: Sluit de achterste uiteinde van de cilinder aan op de apparatuur en verberg de cilinderlichaam achter de beugel. Geschikt voor situaties waarin de cilinderlichaam moet worden vastgesteld en zijn positie moet worden gehandhaafd.


Hottags: FA Flen Mount, China, fabrikant, leverancier, fabriek
Stuur onderzoek
Contact informatie
Welkom op onze website! Voor vragen over onze producten of prijslijst kunt u uw e-mailadres achterlaten en wij nemen binnen 24 uur contact met u op.
E-mailen
cici@olkptc.com
Mobiel
+86-13736765213
Adres
Zhengtai Road, Xinguang industriële zone, Liushi, Yueqing, Wenzhou, Zhejiang, China.
X
We gebruiken cookies om u een betere browse-ervaring te bieden, het siteverkeer te analyseren en de inhoud te personaliseren. Door deze site te gebruiken, gaat u akkoord met ons gebruik van cookies. Privacybeleid
Afwijzen Accepteren