Email ons
Producten
VU07 Vacuümmagneetventiel 3-weg
  • VU07 Vacuümmagneetventiel 3-wegVU07 Vacuümmagneetventiel 3-weg
  • VU07 Vacuümmagneetventiel 3-wegVU07 Vacuümmagneetventiel 3-weg
  • VU07 Vacuümmagneetventiel 3-wegVU07 Vacuümmagneetventiel 3-weg

VU07 Vacuümmagneetventiel 3-weg

Als professionele fabrikant wil OLK u VU07 Vacuümmagneetventiel 3-weg leveren. En OLK biedt u de beste after-sales service en tijdige levering.

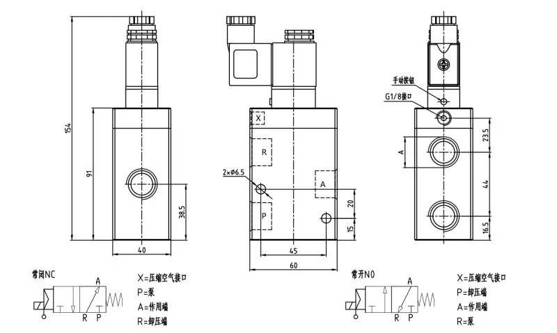
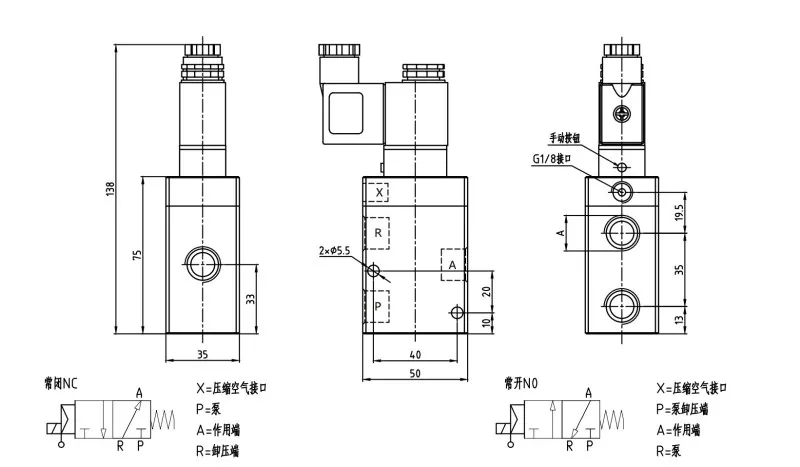
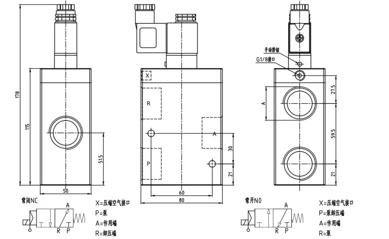
De VU07 Vacuümmagneetklep 3-weg verkrijgbaar met interne of externe pilootregeling. Het kleplichaam is gemaakt van een aluminiumlegering met een blauwe kleur en is ontworpen met een grote boring voor een hoge doorstroomcapaciteit.

Hij is geschikt voor gebruik onder vacuüm (–100 kPa) en bij lage positieve druk (0–0,5 MPa).

De maten met schroefdraadpoorten (P,A,R) zijn verkrijgbaar in G3/8, G1/2 en G1, met de persluchtpoort (X) in G1/8.

Belangrijkste toepassingen

De 3-weg vacuümmagneetklep wordt voornamelijk gebruikt in: vacuümaggregaten, zuigpalletiseermachines, robots, feeders, apparaten voor het openen van zakken. En andere toepassingen waarbij snel moet worden geschakeld tussen vacuümzuiging en atmosfeer, waardoor snel herstel naar atmosferische druk mogelijk is.

VU07 Vacuümmagneetventiel 3-weg Kenmerken:

·Grote stroomcapaciteit

· Geschikt voor gebruik onder vacuüm en lage druk (vacuüm: –100 kPa, lage druk: 0–0,5 MPa)

·Beschikbaar in normaal gesloten (NC) en normaal open (NO) typen

·Optionele interne piloot of externe pilootbediening

VU07 Vacuümmagneetklep 3-weg symbool

Bestelcode

VU07

02

11

-

D2448

W

Model:

Poortgrootte:

Controle:

 

Spanning:

Piloottype:

Vacuümmagneetventiel uit de VU07-serie

02: G3/8

11:Elektrisch

 

D2448: DC24V 4,8 W

Blanco: Interne piloot

 

03:G1/2

31: Lucht

 

A22060:AC220V 6VA

W:Externe piloot

 

05:G1

 

 

 

 

 

Model

A

Maximaal debiet (m³/u)

Vacuüm (Min:mbar--Max: abs)

Reactietijd (msec) Bekrachtigd

Reactietijd (msec) Niet-bekrachtigd

Haven

Havenoppervlak (mm²)

X Stuurdruk (bar)

Gewicht (kg)

VU07 02 11

G3/8

10

1000    0,5

16

27

11.5

103.8

4-7

 

VU07 02 11

G1/2

20

1000    0,5

16

40

15

176

6-7

 

VU07 02 11

G1

90

1000    0,5

18

42

25

490

6-8



Veelgestelde vragen:

Wat is de schroefdraadmaat van de VU07 vacuümklep?

VU0702: G3/8; VU0703: G1/2; VU0705: G1


Welke spanningen zijn beschikbaar voor de VU-vacuümmagneetklep?

De VU-vacuümmagneetklep is verkrijgbaar in DC24V 4,8W en AC220V 6VA.


Wat is de maat van de persluchtpoort op de VU-klep?

Alle persluchtpoorten zijn G1/8.


Wat betekent de leksnelheidseenheid "Torr·L/s"?

"Torr·L/s" is een gebruikelijke eenheid voor het meten van de leksnelheid in hoogvacuüm- of ultrahoogvacuümsystemen.

Torr: een drukeenheid (1 Torr ≈ 133,3 Pa)

L: liter (volume-eenheid)

s: seconde (tijdseenheid)

"Torr·L/s" geeft dus de hoeveelheid gas aan (in Torr × liter) die per seconde lekt, wat de afdichtingsprestaties van een systeem of onderdeel weerspiegelt.


Is er een verband tussen devacuümgeneratoren de vacuümmagneetklep?

1. Controle van de vacuümtoevoer

De vacuümgenerator creëert het vacuüm met behulp van perslucht, terwijl de vacuümmagneetklep als schakelaar fungeert.

Wanneer de klep open is, wordt het vacuüm aangesloten op de zuignap of vacuümleiding.

Wanneer de klep gesloten is, wordt het vacuüm afgesneden.


2. Snel schakelen tussen vacuüm en atmosfeer

Tijdens het plukken houdt de klep het vacuüm aangesloten.


Voor het losmaken van het werkstuk schakelt de klep naar atmosfeer, waardoor de zuignap snel zuigkracht verliest.


3. Energiebesparing

In energiebesparende systemen kan het magneetventiel de persluchttoevoer stoppen zodra het vereiste vacuümniveau is bereikt, waardoor het luchtverbruik wordt verminderd.


4. Typische toepassingen

Zuigpalletiseermachines

Geautomatiseerde assemblagelijnen (aangestuurd door PLC)

Robotgrijpsystemen


Hottags: VU07 Vacuümmagneetventiel 3-weg, China, fabrikant, leverancier, fabriek
Stuur onderzoek
Contact informatie
Welkom op onze website! Voor vragen over onze producten of prijslijst kunt u uw e-mailadres achterlaten en wij nemen binnen 24 uur contact met u op.
E-mailen
cici@olkptc.com
Mobiel
+86-13736765213
Adres
Zhengtai Road, Xinguang industriële zone, Liushi, Yueqing, Wenzhou, Zhejiang, China.
X
We gebruiken cookies om u een betere browse-ervaring te bieden, het siteverkeer te analyseren en de inhoud te personaliseren. Door deze site te gebruiken, gaat u akkoord met ons gebruik van cookies. Privacybeleid
Afwijzen Accepteren